京东旗舰店
产品
文章
搜索
名称
描述
内容
English
首页
产品展示
产品列表
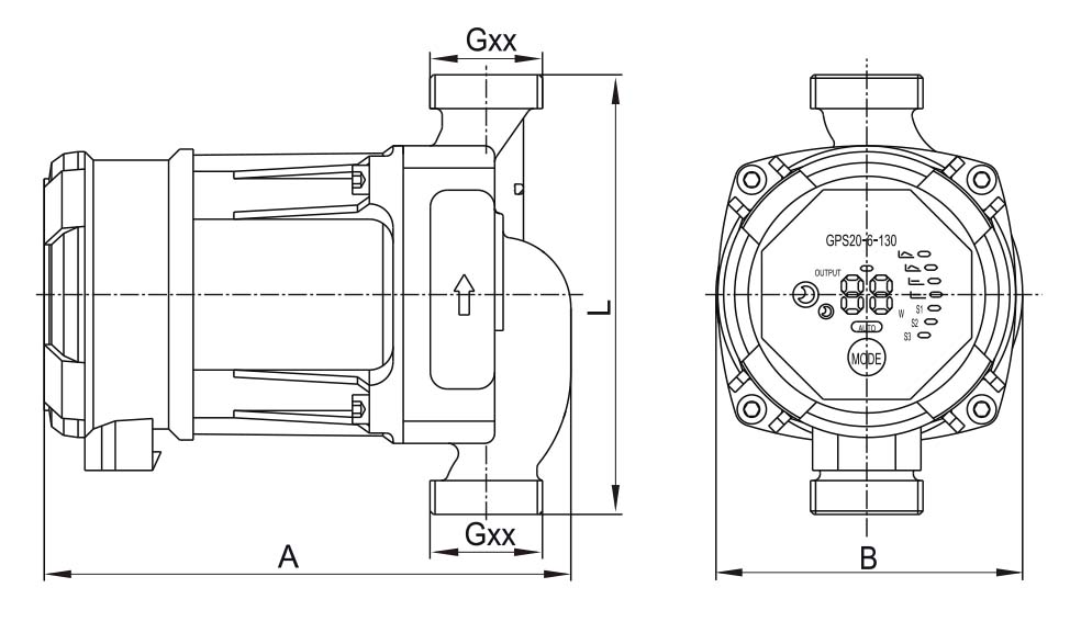
产品系列结构图示查阅
产品展示-详情
人力资源
人才理念
人才招聘
新闻中心
新闻中心-详情
关于我们
公司概况
公司荣誉
发展历程
企业文化
产品认证
下载中心
下载中心-详情
联系我们
地理位置
联系信息
投资者关系
投资者关系详情页
社会责任
社会责任详情页
泵选型
天猫旗舰店
首页
>>
产品分类导航
>>
屏蔽泵
>>
GPS系列
>>
GPS系列
产品系列结构图示查询
❤ 收藏
GPS系列
工作条件:
介质温度:+2
℃
~+90℃
环境温度:0
℃
~40℃
最大工作压力:1.0MPa
市场价:
¥
0.00
价格:
¥0.00
会员价格:
普通会员:
¥0.00
VIP:
¥0.00
重量:
0.000
KG
商品信息
购买记录
顾客评论
买家问答
产品信息
工作条件:
介质温度:+2
℃
~+90℃
环境温度:0
℃
~40℃
最大工作压力:1.0MPa
购买记录
购买人
会员级别
数量
属性
购买时间
总计 0 条记录
顾客评论
商品满意度 :
5星
暂无评价信息
买家问答
关闭
问题类型:
留言
投诉
询问
售后
内容:
我要提问
买家问答
共
0
条记录
暂无评价信息
上一个:
LSP系列
下一个:
GPM系列
产品分类导航
不锈钢泵
不锈钢卧式单级泵
不锈钢卧式多级泵
不锈钢立式多级泵
塑料泵
欧洲款浴缸泵
美洲款浴缸泵
欧洲款SPA泵
美洲款SPA泵
欧洲款循环泵
美洲款循环泵
欧洲款泳池泵
美洲款泳池泵
欧洲款风泵
美洲款风泵
欧洲款恒温器
美洲款恒温器
欧洲款磁力泵
潜水泵
清潜泵
污潜泵
深井泵
多级潜水泵
清水泵
常规清水泵
自吸清水泵
管道泵
管道泵系列
屏蔽泵
GPS系列
GPM系列
GPD系列
永磁变频电机系列
变频泵
电控·接头组件
接头组件
控制器
管件
自动增压泵
懒人泵
机床泵
COD系列
CVK(F)系列
LCP系列
应用领域导航
反渗透水处理
中央空调
变频恒压供水
机床
按摩浴缸
SPA
一体化家用泳池
海水养殖
喷泉
污水处理
农田灌溉
观赏鱼池
太阳能热水循环
家庭供水增压
农业养殖供水
热水器增压
风机
空压机
木工机械