京东旗舰店
泵选型
天猫旗舰店
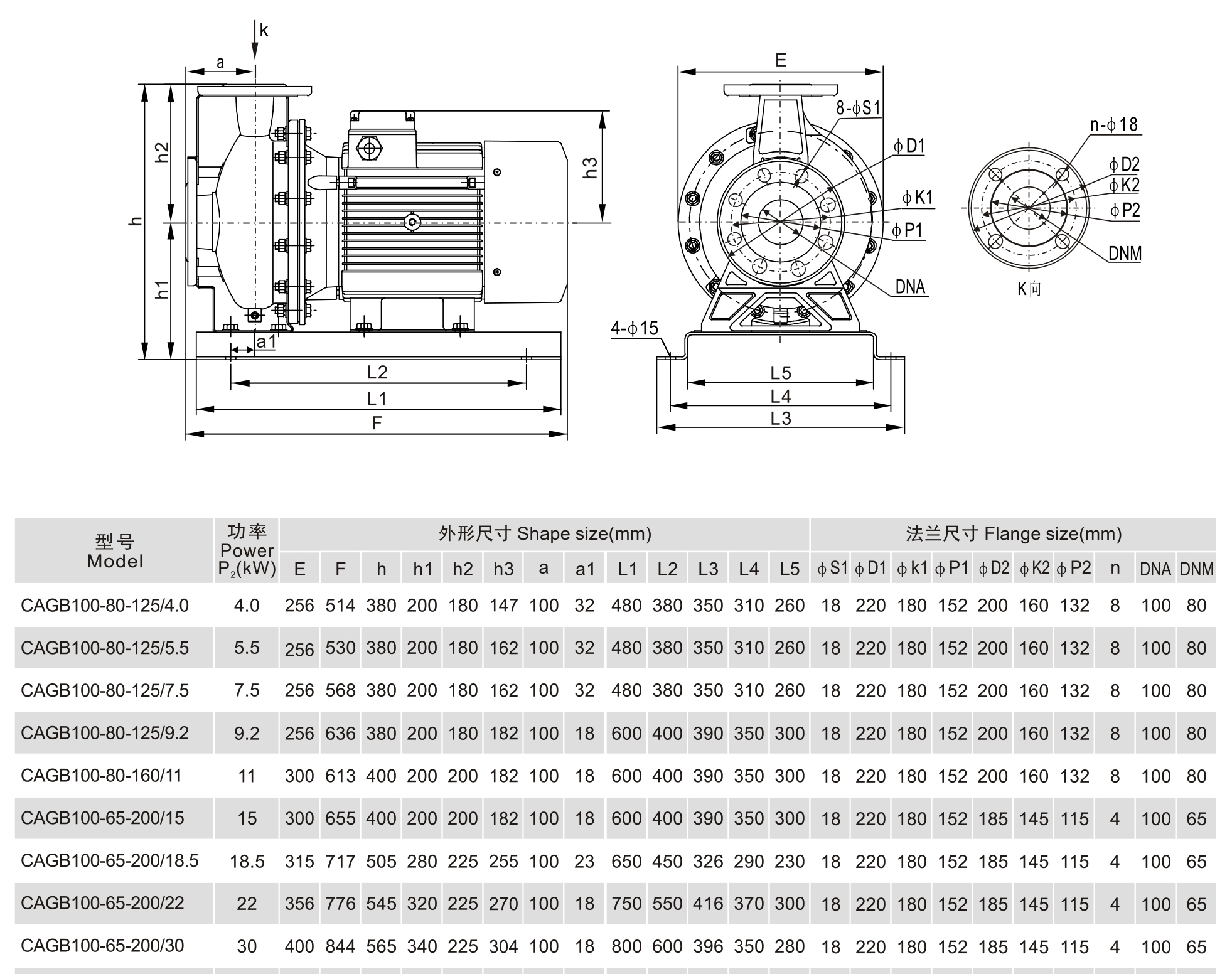
产品系列结构图示查询
CAG(B)100系列
❤ 收藏

CAG(B)100系列

产品特性
热保护器:带热保护器(单相机)
绝缘等级:F级
防护等级:IP55

工作条件:
介质温度:常温型(-20~+70℃)
                 高温型-20~+104℃)
环境温度:≤50℃
最大工作压力:10bar

¥0.00
¥0.00
¥0.00
¥0.00
重量:0.000KG
产品信息

产品特性
热保护器:带热保护器(单相机)
绝缘等级:F级
防护等级:IP55

工作条件:
介质温度:常温型(-20~+70℃)
                 高温型-20~+104℃)
环境温度:≤50℃
最大工作压力:10bar















1.认证证书
2.产品手册